English
Español
Português
русский
Français
日本語
Deutsch
tiếng Việt
Italiano
Nederlands
ภาษาไทย
Polski
한국어
Svenska
magyar
Malay
বাংলা ভাষার
Dansk
Suomi
हिन्दी
Pilipino
Türkçe
Gaeilge
العربية
Indonesia
Norsk
تمل
český
ελληνικά
український
Javanese
فارسی
தமிழ்
తెలుగు
नेपाली
Burmese
български
ລາວ
Latine
Қазақша
Euskal
Azərbaycan
Slovenský jazyk
Македонски
Lietuvos
Eesti Keel
Română
Slovenski
मराठी
Srpski језик |
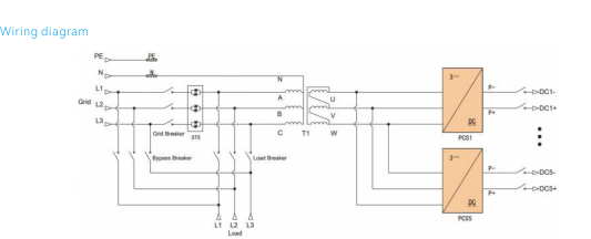
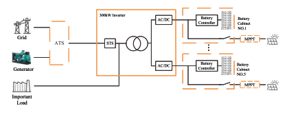
Funkcija Sistem uporablja modularne inverterske enote v vzporedni konfiguraciji, kjer DC vhod vsakega inverterskega modula ustreza namenski baterijski omarici, omogočanje upravljanja na gručo za odpravo kroženja tokov med vrvice baterij. Napajalni moduli AC/DC podpirajo prilagodljivo uvajanje tako v količini kot v nazivna moč z največjo zmogljivostjo 60kW modulov v 5-enotni vzporednici konfiguracijo. AC izhod iz napajalnih modulov se dovaja prek transformatorja izolirana izhodna stopnja, ki napaja breme z močnim uporom trenutni šok. Hibridni ESS uporablja fotonapetostno integracijo, povezano z enosmernim tokom, ki dosega visoko učinkovitost pretvorbe energije in optimizirana za scenarije izven omrežja s PV proizvodna zmogljivost presega povpraševanje po obremenitvi; Krmilniki MPPT za uporabo na prostem integrirajte funkcije združevalnika in MPPT v eno samo utrjeno ohišje. Celoten sistem vključuje možnost dizelskega generatorja ATS, 300kW hibrida pretvornik, krmilnik PV MPPT in sistem za shranjevanje energije v baterijah.
Funkcija Sistem uporablja modularne inverterske enote v vzporedni konfiguraciji, kjer DC vhod vsakega inverterskega modula ustreza namenski baterijski omarici, omogočanje upravljanja na gručo za odpravo kroženja tokov med vrvice baterij. Napajalni moduli AC/DC podpirajo prilagodljivo uvajanje tako v količini kot v nazivna moč z največjo zmogljivostjo 60kW modulov v 5-enotni vzporednici konfiguracijo. AC izhod iz napajalnih modulov se dovaja prek transformatorja izolirana izhodna stopnja, ki napaja breme z močnim uporom trenutni šok. Hibridni ESS uporablja fotonapetostno integracijo, povezano z enosmernim tokom, ki dosega visoko učinkovitost pretvorbe energije in optimizirana za scenarije izven omrežja s PV proizvodna zmogljivost presega povpraševanje po obremenitvi; Krmilniki MPPT za uporabo na prostem integrirajte funkcije združevalnika in MPPT v eno samo utrjeno ohišje. Celoten sistem vključuje možnost dizelskega generatorja ATS, 300kW hibrida pretvornik, krmilnik PV MPPT in sistem za shranjevanje energije v baterijah.
Specifikacije |
|||||
| Modeli | P200TS-400-A | P250TS-400-A | P300TS-400-A | ||
|
Parametri strani DC |
Območje napetosti | 650-950 Vdc | |||
| Vhodno stikalo na modul | 250A | ||||
| Število DC kanalov | 3 način | 4 način | 5 način | ||
|
Parametri strani AC (povezan na omrežje) |
Nazivna izhodna moč | 200kW | 250kW | 300kW | |
| Največja izhodna moč | 220kW | 275kW | 330kW | ||
| Nazivni izhodni tok | 289A | 361A | 433A | ||
| THDi | <3 % | ||||
| Vrsta mreže | 3W+N+PE | ||||
| Območje napetosti | 360V~440Vac | ||||
| Frekvenčno območje | 45~55Hz/55~65Hz | ||||
| Faktor moči | -1~1 | ||||
|
Otok Parametri strani AC |
Nazivna izhodna moč | 200kW | 250kW 300kW | ||
| Nazivna izhodna napetost | 400 Vac | ||||
| Nazivna izhodna frekvenca | 50/60Hz | ||||
| THDu | <1 % linearno, <5 % nelinearno <1 % linearno, <5 % nelinearno | ||||
| Preobremenitvena zmogljivost | 110% preobremenitev za 10 minut110% za 10 minut | ||||
|
Grid-Islanding Prenos in stikalne naprave |
Vzdrževalno bypass stikalo | 400A | 630A | ||
| Mrežna stikala | 630A | 800A | |||
| Tovorna stikala | 400A | 630A | |||
| enota STS | 577A/400kW | 722A/500kW | |||
| Preklopni čas | <20 ms | ||||
|
Sistemski parametri |
Vrhunska učinkovitost | 97,5 % | |||
| Delovna temperatura | -30 ~ 55 ℃ -30 ~ 55 ℃ (zmanjšanje vrednosti nad 40 ℃) | ||||
| Relativna vlažnost | 0~95% RH, 0~95% RH, brez kondenzacije | ||||
| Dimenzije (D*D*V) | 1300×1050×2050 mm | ||||
| Teža | 1400 kg | 1700 kg 1800 kg | |||
| IPgrade | IP21 IP21 (celoten komplet) | ||||
| Hrup | <70 dB | ||||
| Zaslon | LCD zaslon na dotik | ||||
| BMS komunikacija | LAHKO | ||||
| EMS komunikacija | TCP/IP | ||||