English
Español
Português
русский
Français
日本語
Deutsch
tiếng Việt
Italiano
Nederlands
ภาษาไทย
Polski
한국어
Svenska
magyar
Malay
বাংলা ভাষার
Dansk
Suomi
हिन्दी
Pilipino
Türkçe
Gaeilge
العربية
Indonesia
Norsk
تمل
český
ελληνικά
український
Javanese
فارسی
தமிழ்
తెలుగు
नेपाली
Burmese
български
ລາວ
Latine
Қазақша
Euskal
Azərbaycan
Slovenský jazyk
Македонски
Lietuvos
Eesti Keel
Română
Slovenski
मराठी
Srpski језик
Značilnosti izdelka
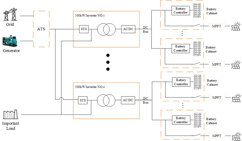
1. Pri obremenitvah, ki presegajo 500 kW, je priporočljivo uporabiti pretvornik za shranjevanje energije z eno enoto velike zmogljivosti 500 kW, ki lahko podpira do štiri sklope vzporednih povezav in dosega skupno izhodno moč 2 MW;
2. Pri vzporednem delovanju več 500 kW sistemov in distribuciji različnih 500 kW razsmernikov STSacross je ključno zagotoviti, da je dolžina kabla od omrežne vezne točke do obremenitvene vezne točke dosledna;
3. Hibridni ESS uporablja fotonapetostno integracijo, povezano z enosmernim tokom, ki dosega visoko učinkovitost pretvorbe energije in je optimiziran za scenarije izven omrežja s fotonapetostno zmogljivostjo, ki presega povpraševanje po obremenitvi; MPPT z oceno za uporabo na prostem
Krmilniki integrirajo funkcije kombiniranja in MPPT v eno samo utrjeno ohišje. Celoten sistem vključuje možnost dizelskega generatorja ATS, 300kW hibridni pretvornik, krmilnik PV MPPT in baterijo
sistem za shranjevanje energije.


Specifikacija
| Modeli | P500TS-400-A | |
|
Parametri strani DC |
Območje napetosti | 500-950V |
| Največji tok | 1128A | |
| Nazivna izhodna moč | 500kW | |
|
Parametri strani AC (povezan na omrežje) |
Največja izhodna moč | 550kW |
| Nazivni izhodni tok | 722A | |
| THDi | <3 % | |
| Vrsta mreže | 3W+N+PE | |
| Območje napetosti | 360VAC~440VAC | |
| Frekvenčno območje | 45~55Hz/55~65Hz | |
| Faktor moči | -1~1 | |
| Nazivna izhodna moč | 500kW | |
|
AC stranski parametri (Izven omrežja) |
Nazivna izhodna napetost | 400V |
| Nazivna izhodna frekvenca | 50/60Hz | |
| THDu | <1% linearna obremenitev, <5% nelinearna obremenitev | |
| Preobremenitvena zmogljivost | 110 % 10 minut | |
| Vzdrževalno bypass stikalo | 1250A | |
|
Stikalo izven omrežja in konfiguracijo stikala |
DC stikalo | 1250A |
| Stikalo za obremenitev | 1250A | |
| Mrežno stikalo | 1250A | |
| enota STS | 1155A/800kW | |
| Preklopni čas | <20 ms | |
|
Sistemski parametri |
Peakefficiency | 97,5 % |
| Delovna temperatura | -30 ~ 55 ℃ (zmanjšanje nad 40 ℃) | |
| Relativna vlažnost | 0 do 95 % RH, brez kondenzacije | |
| Dimenzije (D*D*V) | 1600×1050×2050 mm | |
| Teža | 2700 kg | |
| IPgrade | IP21 IP21 (Celoten stroj) | |
| Hrup | <70 dB | |
| Zaslon | LCD | |
| BMS komunikacija | LAHKO | |
| EMS komunikacija | TCP/IP | |